• Address Karad, Maharashtra, India 415110
  • Emailenquiries@dropletincinerators.com
  • Phone +91 7798685598
Our commercial models:
1. For Grampachayata / Rural organizations ( Drop A .09 Capacity : 25 Kg/Cycle)
2. For Urban Areas / Medical Colleges / Hospitals / CBMWTF Centers ( Drop Skylark .01 Capacity : 100 Kg/Cycle )
3. For metropolitan Cities ( Drop Skylark .02 Capacity : 200 Kg/Cycle )
Distinguishing features:
1. Research Based Patented Technology (PATENT NO. 394390)
2. Two chambered incinerator. Primary chamber get operated at 850˚ C and Secondary chamber get operated at 1050˚ C.
3. No emission of pathogens during incineration. Patented technology for curbing release of pathogens.
4. Use of multiple patented biopellets for elimination of CO,CO2,SO2 and other toxic gases
5. Specially designed microbial filters for removal of pathogenic bacteria and viruses.
6. TOC in the bottom ash is < 3%
7. In built APCD
8. Quenching mechanism for Dioxins control

RATIONALE OF THE PRODUCT DEVELOPMENT

It is estimated that 10 to 20 % of Biomedical waste generated through hospitals is hazardous and such waste is the cause of variety of health problems including fatal upper & lower respiratory tract infections. On global scale, about 64% of health care institutions have been reported for having unsatisfactory biomedical waste management facilities. Documented transmission through biomedical waste includes Tuberculosis (8.51%), HIV (74.47%), Pseudomonas sp. (29.4%), Proteus vulgaris (5.88%), Citrobacter sp. (2.20%), Staphylococci (8.82%), Enterococci (3.67%), Escherichia (22.79%), Hepatitis A (10.64%), Hepatitis B (56.19%). Common Biomedical Treatment Facility Centres have claimed for safe disposal of the biomedical waste. Irrespective of following Central and State pollution Control Board guidelines such centres often spread pathogens in air and adversely affect the health of nearby society.

The definition of biomedical waste vide Gazette of India Extraordinary part II Section III, Sub-section (i) Dated 28th march, 2016 as amended in 2018 & 2019 is "Any waste, which get generated during the diagnosis, treatment or immunisation of human beings or animals or research activities pertaining thereto or in the production or testing of biological or in health camps, including the categories mentioned in Schedule I appended to these rules” [7].

As per the Central Pollution Control Board there are 3,22,425 number of Health Care Facilities out of which 1,06,796 number of Health Care Facilities are bedded and 2, 15,780 number of Health Care Facilities are non-bedded. 1, 53,885 number of Health Care Facilities are granted authorization under the Biomedical Waste Rules. 2,35,571 number of Health Care facilities utilises Common Bio-medical Waste Treatment Facility Centres and 18,015 number of Health Care Facilities are having captive bio-medical waste treatment and disposal facilities. There are 202 number of Common Bio-medical Waste Treatment Facility Centres in operation (35 under construction) [8].

The total generation of bio-medical waste is about 619 tonnes per day out of which about 544 tonnes per day are treated in Common Bio-medical Waste Treatment Facility Centres and captive treatment facilities. About 55 tonnes per day are treated by captive treatment facilities and about 489 tonnes per day are treated by Common Bio-medical Waste Treatment Facility Centres. As reported, 29,062 number of Health Care facilities/Common Bio-medical Waste Treatment Facility Centres observed to be violating the provisions of the Biomedical Waste Rules [8].

States namely Assam, Maharashtra, Bihar, Karnataka, Kerala, Nagaland, Odisha, Chhattisgarh, Jammu & Kashmir, Madhya Pradesh, Manipur and Rajasthan have the scope to increase number of ‘Biomedical Waste Treatment Facility Centres’. It should be ensured in these states that biomedical waste is disposed off as per provisions of ‘Biomedical Waste Management Rules, 2016’ and subsequent amendments.

States having Class I cities namely New Delhi, Chennai, Mumbai and Kolkata have minimum of about 28 tons/day of biomedical waste however, States namely Kerala, Uttar Pradesh Gujarat, Bihar, Karnataka also generates enormous quantity of biomedical waste.

The states namely Andaman & Nicobar, Himachal Pradesh, Jharkhand, Assam, Chhattisgarh, Goa, J & K, Nagaland, Odisha, Puducherry, Karnataka, Kerala, Lakshadweep, Maharashtra, Meghalaya, Mizoram, Madhya Pradesh, Rajasthan, Sikkim, Tamil Nadu, Tripura and Uttarakhand use deep burial pits in rural areas for disposal of Biomedical waste. However as per Biomedical waste Rules, 2016 use of deep burials is allowed only in remote or rural areas where there is no access of ‘Common Bio-medical Waste Treatment Facility Centres’ (CBWTF). This method is hazardous in the diverse environmental conditions where there is lack of skilled persons, situations like flood and natural changes as happen in the soil strata.

On the above background, ‘Droplets Innovative Incinerators Private Limited’ has developed a unique research based patented incinerator for management of ‘Biomedical Waste’.

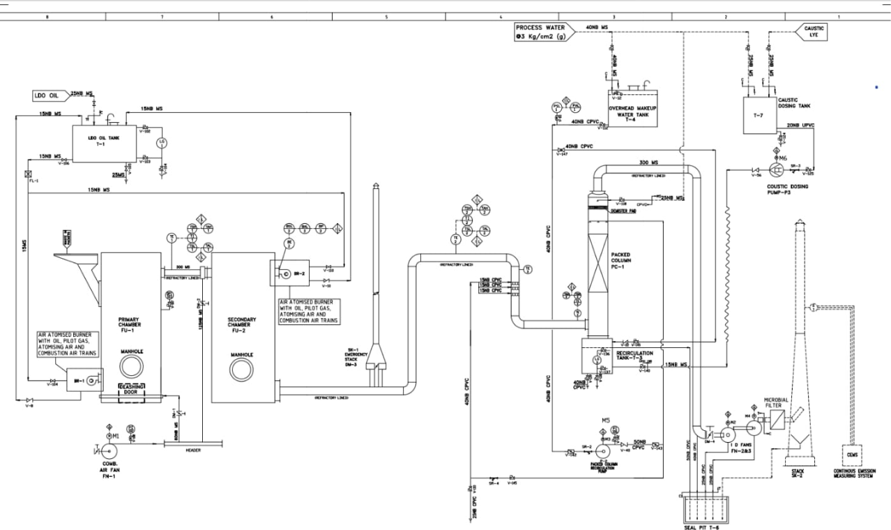
Common Layout

Red Nike Shoes